Next: 4 Unifying Processes and Roles in RASSP
Up: Appnotes Index
Previous:2 Introduction
The workflows are hierarchical in nature - representing the various disciplines associated with electronic design. The options available to a user organization are either to make use of the workflows in their current form or to develop plans based on a combination of reuse of workflow segments, individual process steps or augmentation of workflow segments with custom user process steps.
Synchronization refers to the relative timing of the process paths that either converge into or diverge out of a junction. A synchronous fan-in junction indicates that all processes connected to the input of the junction must complete simultaneously before the UOB connected to the output of the junction will be activated. If the fan-in is asynchronous, there is no timing constraint imposed on the completion of the input processes.
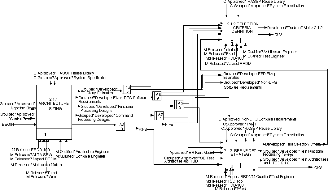
Although it is not the purpose of this Appendix to present IDEF3X concepts in depth, a quick review is in order. The text attached to the UOBs are called Business Items. These are place holders for actual file system items which contain the design data. There are four different types of Business Items or ICOMs. The inputs and outputs are self-explanatory. The controls are documents that can be referred such as libraries or specifications. The Mechanisms are the tools and personnel resources required to execute the process step.
[Grouped]*State*Business_Item_Name.
The [Grouped] term is optional. If it is present, (as in Grouped*Developed*SD Test Architecture and TSD 2.1.3 in Figure 3 - 1), it indicates that the Business Item actually consists of multiple file system items (files or directories). For example, Grouped*Developed*SD Test Architecture and TSD is made up of the file system entities:
Developed*SD Test Architecture
The word "Developed" indicates the state of the Test Architecture and TSD. In this case, the data items have just been created during the process step 2.1.3.
Other states which are used are:
Developed: An item which has just been created during a process step
Updated/Refined: A "Developed" item which has been updated/refined during a process step
Preliminary/Verified: An "Updated" item which has been refined and (possibly) simulated and is ready to be approved
Approved: A "Preliminary/Verified" item which has gone through some type of approval or Design Review cycle. The actual level of approval necessary to transition an item to an "Approved" state varies depending on the particular instantiation of the Design Reviews. It can vary from workflow to workflow and also from one implementation to another. There are several different states available:
Generated: An item which is automatically produced from a tool
Qualified: Refers to the skill designation which a person must have in order to be able to execute the process step
Responsible: Indicates which personnel resource will have the authority to transition the process step
Released: Refers to the status of a tool (Currently this is the only status used for tools)
Variable: Indicates that the data item is a pointer to a group of data items, one of which will be chosen based on decisions made during the execution of the program plan. For example, a particular processor may be chosen during a process step. Further on in the program plan, the generic code for that processor will be targeted using a library specific to that processor. The target library for the processor is one of the members of the "Variable*Target Libraries" (on the Architecture Definition:Architecture Verification Workflow).
In Figure 3 - 1, the workflow begins with the process step Architecture Sizing. In the Activity Definitions, it indicates that the purpose of this activity is to analyze the system requirements and processing flows for all required modes in terms of estimated operations per second, memory requirements, and I/O bandwidths. The resulting functional processing flows represent the detailed algorithms that must be performed for each required mode.
The inputs for this activity are the Business Items:
The controls for this activity are:
The tool mechanisms are:
The personnel mechanisms are:
The other two activities can be analyzed similarly. It is important to distinguish between junction boxes which are used to distribute/collect data to/from multiple process blocks and junction boxes which are used to indicate precedence. Some Business Items which are outputs of 2.1.1 are directed to 2.1.2 and 2.1.3 via asynchronous "AND" junction boxes. In this case, no timing is implied. Note that similar boxes are used to direct the precedence links out of 2.1.1 to 2.1.2 and 2.1.3. These precedence links indicate that when 2.1.1 finishes, 2.1.2 and 2.1.3 become startable.
For readability purposes, the attached leaf-level Architecture workflows do not have the precedence links indicated on them.
3.0 IDEF3 Representation of Process Workflows
3.1 What are Workflows
A workflow consists of a group of process steps to be performed in a particular order to complete a particular design effort. A program plan is created by piecing together the workflow segments which are appropriate to the design task. When instantiated in the enterprise, the workflows can be executed by clicking on the process steps in the order allowed by the precedence relationships and performing the task required by that process step. The concept of operation for the enterprise framework includes the ability for teams of engineers to execute program plans, expressed as workflows. The information manager generates the appropriate objects and work locations to facilitate the workflow. The information models and information manager are therefore closely coupled to the process models and the workflow manager.
3.2 Activity Definitions
The Activity Definitions present short descriptions of what is to be accomplished for each process step, as well as the tools and business item names (placeholders) for the inputs, outputs, required personnel resources and reference data needed to perform each task or process step. In execution of the program plan constructed from the workflows, the activities and business item specifications are instantiated for the particular project. As part of this process, users are assigned to the roles in the project.
3.3 Workflow Capture
Workflows were developed for the entire RASSP design process using the IDEF3X modeling method. IDEF3X was developed by Rockwell International Corporation and is an extension of the IDEF3 process description capture method. The name IDEF originates from the Air Force program for Integrated Computer-Aided Manufacturing (ICAM) from which the first ICAM Definition, or IDEF, methods emerged. IDEF3 was created specifically to capture descriptions of sequences of activities. It can be distinguished from other process modeling methods because it facilitates the capture of the description of what a system actually does.
3.3.1 IDEF3X Overview
IDEF3X is a modeling method which combines the ICOM (input, control, output, mechanism) aspect of IDEF0 with the process flow description of IDEF3, along with some additional features to facilitate implementation by a workflow management tool such as Intergraph's Design Methodology Manager (DMM). The syntactic elements of an IDEF3X model are similar to IDEF3 and include units of behavior (UOBs), junction boxes, and precedence links. Additional features include identifying ICOMs by naming the object and its life cycle state separated by an "*" (e.g., Draft*Publication - where Publication is the name of the object and Draft is its current state), object state links which identify the flow of data between UOBs, feedback links which indicate failback paths, annotating the name of the junction boxes with an "A" or "S" to indicate an asynchronous or synchronous junction (e.g. A&), and annotating the precedence links with a "P:" followed by a two-letter code which indicates the precedence between the parent and dependent UOB.
3.3.2 Precedence Links
A precedence link is defined by two states such as Finish-Start which is the default precedence of links within an IDEF3 process model. The first state indicates the state the parent UOB (where the link starts) must be in before the dependent UOB (where the link ends) can enter the second state. So, Finish-Start means the parent UOB must finish before the dependent UOB can start. IDEF3X identifies additional precedence relationships which are supported by Intergraph's DMM tool. These 8 precedence are:
This information will be represented on the workflows by placing a 'P' on the link followed by a ":" and the 2 letter code. For example,
P:SS for Start - Start
P:SF for Start - Finish
P:FS for Finish - Start
P:FF for Finish - Finish
P:CO for Concurrent
P:CA for Cascade
P:FR for Fail (Reset)
P:FC for Fail - Cascade
3.4 Modeling Example
The workflow model captures:
The example elaborated in this section is taken from the RASSP Architecture Definition: Functional Design workflow. Figure 3 - 1 contains a portion of the Functional Design workflow represented as an IDEF3X model. The model contains three units of behavior (UOBs) which represent design activities: Architecture Sizing, Selection Criteria Definition and Refine DFT Strategy. Also present in this model are precedence links, object state links, junction boxes, and all of the Inputs, Controls, Outputs and Mechanisms (ICOMs) for each UOB. This model was developed using the TopDown Flowcharter tool by Kaetron Software Corporation.
The syntax of an input or output Business Item is:
Developed*SD TSD
Developed*SD Test Plans
Developed*SD Test Procedures
Developed*SD Fault Model

Grouped*Approved*Algorithm Flows
Grouped*Approved*Control Flows
Approved*RASSP Reuse Library
Grouped*Approved*System Specification
The outputs for this activity are:
Grouped*Developed*FD Sizing Estimates
Grouped*Developed*Non-DFG Software Requirements
Grouped*Developed*Functional Processing Designs
Grouped*Developed*Command Processing Designs
Released*RDD뀬
Released*Aspect RRDM
Released*ALTA SPW
Released*Mathworks MATLAB
Released*EXCEL
Released*WORD
Qualified*Architecture Engineer
Qualified*Software Engineer
3.5 Summary
This section will serve as a reference for developing program plans. It describes what workflows and Activity Definitions are and how they pertain to the RASSP Methodology in general and the Enterprise, in particular. The workflows should be viewed as templates which can be pieced together to create a program plan. The Activity Definitions contain supplemental information about each process step.
Next: 4 Unifying Processes and Roles in RASSP
Up: Appnotes Index
Previous:2 Introduction